![]() |
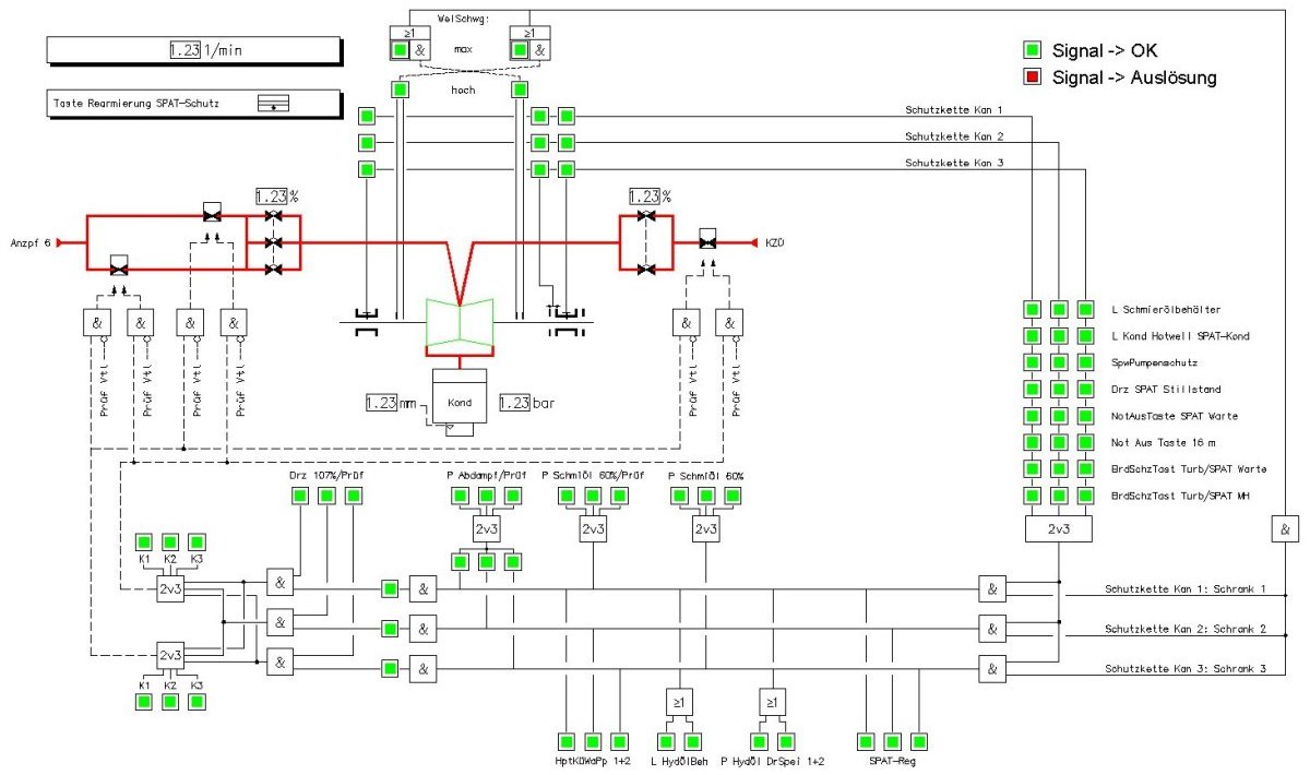
| Kraftwerk Lippendorf: Block R und S Bedienbild des SPAT-Schutzes Bei diesem Bild handelt es sich um eine Aufgabenstellung für die Firma SIEMENS. (Ausgeblendet sind die zugehörigen Kennzeichen) Rechner für den SPAT-Schutz Block S: S0CJK01BA005, S0CJK02BA005 und S0CJK03BA005 In den Rechnern ist auch das komplette Programm für den SPAT-Schutz hinterlegt. Siehe auch Liste der Funktionsgruppen (Bild 2). Eckhard Schmidt - Kappeln |