Generatorableitung

Prinzipskizze


Der elektrische Strom des Generators wird über die Ableitung
und dem Maschinentransformator in das Verbundnetz eingespeist.

Beim Motor-Generator in Vianden ist es beim Motorbetrieb genau umgekehrt.
Über das Verbundnetz, dem Maschinentransformator und der Ableitung
wird der Pumpstrom dem Motor-Generator zugeführt.

Maschine (Turbinenbetrieb)

Wirkleistung [MW]
(Turbinenleistung)
Scheinleistung [MVA]
des Generators
Nennspannung [kV]
(Spannung: Phase - Phase)
Nennstrom [A]
Vianden Maschine 10

200

230

15,75

8.431
Lippendorf Turbogenerator

930

1167

27

24.954

Eckhard Schmidt - Kappeln

Kraftwerk Rostock

Generatorableitung des Turbogenerators

Prinzipskizze


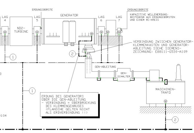
Der obige Ausschnitt stammt aus der Skizze für die Erdung
der Dampfturbogruppe des Kraftwerkes Rostock.

Eckhard Schmidt - Kappeln